联系人:周经理
手 机:13016713299
电 话:15996075661
地 址:上海市宝山区顾北东路575弄

ESD单级液压螺栓拉伸器的特点:
-主要用于10.9级螺栓
-z大使用压力150MPa
-自动快速回程机构
-红色行程指示线,超行程指示
-可更换的拉伸头
-磨光表面处理(发黑处理)
-an全保护罩
ESD单级液压螺栓拉伸器的可选:
-镀镍涂层提供腐蚀保护
-可360°旋转的液压接头配置
-可配齿轮式旋转螺母套(六角螺母)
-螺纹伸长量测量杆
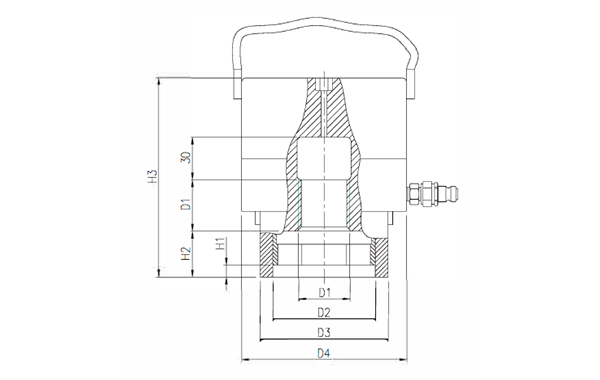
ESD单级液压螺栓拉伸器的结构图

ESD单级液压螺栓拉伸器的技术参数

管理员
该内容暂无评论