联系人:周经理
手 机:13016713299
电 话:15996075661
地 址:上海市宝山区顾北东路575弄

CLCD拨叉型轮式扭矩扳手的特点
·解决了螺栓和管道间距小、以及螺栓高度方向空间狭小的问题
·对千空间有限的法兰,提供an全可靠的可控螺栓连接解决方案
·提供各种扳手,匹配多数常用的API法兰·头部半径小,解决了螺栓和管道间距有限问题
·扳手细长,减小了螺栓高度方向空间的限制
·扳手规格齐全,定制时间短
·采用c高强度合金钢制造,提高了nai用型,减少了故障发生
·通用型动力头兼容KXC,适用性更强
·扳手的每次工作周期结束后,应沿回程方向运行泵,取下扳手,重新定位.
·此工具不具有止退功能
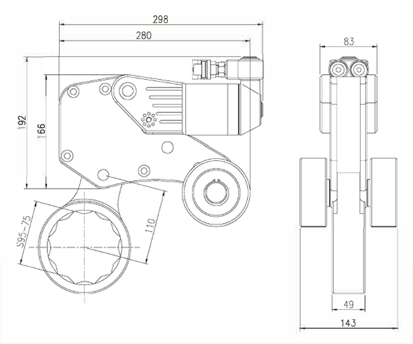
CLCD拨叉型轮式扭矩扳手的结构图


CLCD拨叉型的轮式扭矩扳手技术参数

管理员
该内容暂无评论